Ls-T73 Relay Datasheet . Ul class f (155°c) coil insulation. view t73 series by te connectivity potter & brumfield relays datasheet for technical specifications, dimensions and more at. This data sheet is a publication by conrad electronic. t73 pcb relays t73. Ul class f (155°c) coil insulation system standard. General purpose relays pcb relays. datasheet universal relay 24 vdc 10 a 4 pins bn 1433298 version 07/16. 1 form a and 1 form c.
from shopee.co.id
Ul class f (155°c) coil insulation system standard. 1 form a and 1 form c. view t73 series by te connectivity potter & brumfield relays datasheet for technical specifications, dimensions and more at. Ul class f (155°c) coil insulation. datasheet universal relay 24 vdc 10 a 4 pins bn 1433298 version 07/16. This data sheet is a publication by conrad electronic. t73 pcb relays t73. General purpose relays pcb relays.
Jual T73 RELAY 5V DC 5 VDC SONGLE SRD05VDCSLC 5 PIN DC CONTROL COIL Indonesia
Ls-T73 Relay Datasheet Ul class f (155°c) coil insulation system standard. t73 pcb relays t73. datasheet universal relay 24 vdc 10 a 4 pins bn 1433298 version 07/16. view t73 series by te connectivity potter & brumfield relays datasheet for technical specifications, dimensions and more at. Ul class f (155°c) coil insulation. General purpose relays pcb relays. This data sheet is a publication by conrad electronic. 1 form a and 1 form c. Ul class f (155°c) coil insulation system standard.
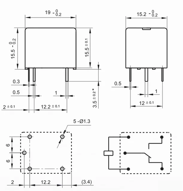
From www.oceanproperty.co.th
Relay T73 12v Datasheet Free Delivery www.oceanproperty.co.th Ls-T73 Relay Datasheet Ul class f (155°c) coil insulation system standard. view t73 series by te connectivity potter & brumfield relays datasheet for technical specifications, dimensions and more at. datasheet universal relay 24 vdc 10 a 4 pins bn 1433298 version 07/16. Ul class f (155°c) coil insulation. This data sheet is a publication by conrad electronic. General purpose relays pcb. Ls-T73 Relay Datasheet.
From www.aliexpress.com
LS T73 SHD 12VDC F A SHD 12V F A SHD DC12V F A 4PINS 10A 12VDC Power Relay original Newin Ls-T73 Relay Datasheet view t73 series by te connectivity potter & brumfield relays datasheet for technical specifications, dimensions and more at. t73 pcb relays t73. datasheet universal relay 24 vdc 10 a 4 pins bn 1433298 version 07/16. General purpose relays pcb relays. Ul class f (155°c) coil insulation system standard. This data sheet is a publication by conrad electronic.. Ls-T73 Relay Datasheet.
From gustavobultaco.com
JQC3F T73 DATASHEET EBOOK DOWNLOAD Ls-T73 Relay Datasheet This data sheet is a publication by conrad electronic. Ul class f (155°c) coil insulation. datasheet universal relay 24 vdc 10 a 4 pins bn 1433298 version 07/16. Ul class f (155°c) coil insulation system standard. view t73 series by te connectivity potter & brumfield relays datasheet for technical specifications, dimensions and more at. 1 form a and. Ls-T73 Relay Datasheet.
From sourcing.hktdc.com
Relay LST73 3FF Parts, Components & Electrical Supplies Electronics Ls-T73 Relay Datasheet Ul class f (155°c) coil insulation system standard. Ul class f (155°c) coil insulation. datasheet universal relay 24 vdc 10 a 4 pins bn 1433298 version 07/16. General purpose relays pcb relays. 1 form a and 1 form c. view t73 series by te connectivity potter & brumfield relays datasheet for technical specifications, dimensions and more at. . Ls-T73 Relay Datasheet.
From www.scribd.com
JQC3FC (T73) DC12V RELAY Pin Config PDF PDF Ls-T73 Relay Datasheet datasheet universal relay 24 vdc 10 a 4 pins bn 1433298 version 07/16. view t73 series by te connectivity potter & brumfield relays datasheet for technical specifications, dimensions and more at. Ul class f (155°c) coil insulation. General purpose relays pcb relays. t73 pcb relays t73. Ul class f (155°c) coil insulation system standard. This data sheet. Ls-T73 Relay Datasheet.
From www.amazon.co.jp
Amazon.co.jp 10 個リレー LST73 SHD12VDCFA SHD 12VDC FA SHDDC12VFA 10A 4ピン 12V 産業・研究開発用品 Ls-T73 Relay Datasheet This data sheet is a publication by conrad electronic. 1 form a and 1 form c. Ul class f (155°c) coil insulation system standard. General purpose relays pcb relays. datasheet universal relay 24 vdc 10 a 4 pins bn 1433298 version 07/16. view t73 series by te connectivity potter & brumfield relays datasheet for technical specifications, dimensions and. Ls-T73 Relay Datasheet.
From skylots.org
Реле Jqc3f ( T73 ) 12VDC 12В — Реле SkyLots (6497501067) Ls-T73 Relay Datasheet Ul class f (155°c) coil insulation. General purpose relays pcb relays. view t73 series by te connectivity potter & brumfield relays datasheet for technical specifications, dimensions and more at. t73 pcb relays t73. datasheet universal relay 24 vdc 10 a 4 pins bn 1433298 version 07/16. Ul class f (155°c) coil insulation system standard. This data sheet. Ls-T73 Relay Datasheet.
From www.msrelay.com
T73 relay MPAS124A_Zhejiang Meishuo Electric Technology Co.,Ltd Ls-T73 Relay Datasheet datasheet universal relay 24 vdc 10 a 4 pins bn 1433298 version 07/16. This data sheet is a publication by conrad electronic. 1 form a and 1 form c. General purpose relays pcb relays. Ul class f (155°c) coil insulation system standard. view t73 series by te connectivity potter & brumfield relays datasheet for technical specifications, dimensions and. Ls-T73 Relay Datasheet.
From zelengarden.ru
"Ls t73 реле схема" Ls-T73 Relay Datasheet General purpose relays pcb relays. Ul class f (155°c) coil insulation system standard. t73 pcb relays t73. view t73 series by te connectivity potter & brumfield relays datasheet for technical specifications, dimensions and more at. 1 form a and 1 form c. This data sheet is a publication by conrad electronic. datasheet universal relay 24 vdc 10. Ls-T73 Relay Datasheet.
From www.rabtron.co.za
T73 Relay SPDT 24VDC 10A Ls-T73 Relay Datasheet datasheet universal relay 24 vdc 10 a 4 pins bn 1433298 version 07/16. t73 pcb relays t73. Ul class f (155°c) coil insulation. Ul class f (155°c) coil insulation system standard. This data sheet is a publication by conrad electronic. 1 form a and 1 form c. view t73 series by te connectivity potter & brumfield relays. Ls-T73 Relay Datasheet.
From www.newegg.com
1pcs 12V Relay LST73 SHD12VDCFA 10A 240VAC 4 PINS Ls-T73 Relay Datasheet 1 form a and 1 form c. Ul class f (155°c) coil insulation system standard. t73 pcb relays t73. datasheet universal relay 24 vdc 10 a 4 pins bn 1433298 version 07/16. view t73 series by te connectivity potter & brumfield relays datasheet for technical specifications, dimensions and more at. General purpose relays pcb relays. Ul class. Ls-T73 Relay Datasheet.
From www.aliexpress.com
LS T73 SHD 12VDC F A 12V 4Relays AliExpress Ls-T73 Relay Datasheet datasheet universal relay 24 vdc 10 a 4 pins bn 1433298 version 07/16. 1 form a and 1 form c. view t73 series by te connectivity potter & brumfield relays datasheet for technical specifications, dimensions and more at. This data sheet is a publication by conrad electronic. Ul class f (155°c) coil insulation system standard. t73 pcb. Ls-T73 Relay Datasheet.
From www.aliexpress.com
Shd5v 6v 9v 12v 24vdcfa C Relay Lst73 10a 4 Pin Relays AliExpress Ls-T73 Relay Datasheet 1 form a and 1 form c. Ul class f (155°c) coil insulation. datasheet universal relay 24 vdc 10 a 4 pins bn 1433298 version 07/16. General purpose relays pcb relays. Ul class f (155°c) coil insulation system standard. This data sheet is a publication by conrad electronic. view t73 series by te connectivity potter & brumfield relays. Ls-T73 Relay Datasheet.
From www.newegg.com
5pcs 12V Relay LST73 SHD12VDCFA 10A 240VAC 4 PINS Ls-T73 Relay Datasheet This data sheet is a publication by conrad electronic. datasheet universal relay 24 vdc 10 a 4 pins bn 1433298 version 07/16. t73 pcb relays t73. 1 form a and 1 form c. view t73 series by te connectivity potter & brumfield relays datasheet for technical specifications, dimensions and more at. Ul class f (155°c) coil insulation.. Ls-T73 Relay Datasheet.
From html.alldatasheet.com
T73 datasheet(2/2 Pages) TEC General Purpose Relays PCB Relays Ls-T73 Relay Datasheet Ul class f (155°c) coil insulation. t73 pcb relays t73. General purpose relays pcb relays. datasheet universal relay 24 vdc 10 a 4 pins bn 1433298 version 07/16. Ul class f (155°c) coil insulation system standard. This data sheet is a publication by conrad electronic. view t73 series by te connectivity potter & brumfield relays datasheet for. Ls-T73 Relay Datasheet.
From www.scribd.com
Scheda Tecnica 1433298 Ls t73 SHD 24vdc F A 4pin Rele Per PCB 24 VDC 10 A 1 Na 1 PZ PDF Ls-T73 Relay Datasheet General purpose relays pcb relays. Ul class f (155°c) coil insulation. datasheet universal relay 24 vdc 10 a 4 pins bn 1433298 version 07/16. Ul class f (155°c) coil insulation system standard. view t73 series by te connectivity potter & brumfield relays datasheet for technical specifications, dimensions and more at. t73 pcb relays t73. This data sheet. Ls-T73 Relay Datasheet.
From www.newegg.com
5pcs 12V Relay LST73 SHD12VDCFA 10A 240VAC 4 PINS Ls-T73 Relay Datasheet This data sheet is a publication by conrad electronic. t73 pcb relays t73. Ul class f (155°c) coil insulation. Ul class f (155°c) coil insulation system standard. view t73 series by te connectivity potter & brumfield relays datasheet for technical specifications, dimensions and more at. datasheet universal relay 24 vdc 10 a 4 pins bn 1433298 version. Ls-T73 Relay Datasheet.
From velkoobchod.conrad.cz
LST73 SHD24VDCFA 4pin relé do DPS 24 V/DC 10 A 1 spínací kontakt 1 ks Conrad.cz Ls-T73 Relay Datasheet t73 pcb relays t73. 1 form a and 1 form c. view t73 series by te connectivity potter & brumfield relays datasheet for technical specifications, dimensions and more at. General purpose relays pcb relays. datasheet universal relay 24 vdc 10 a 4 pins bn 1433298 version 07/16. This data sheet is a publication by conrad electronic. Ul. Ls-T73 Relay Datasheet.